聚焦高端时钟,助力中国科技崛起
登录
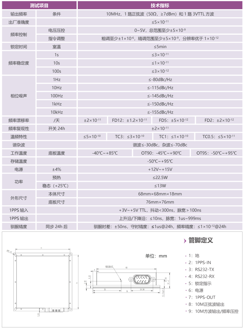
小型宽温铷原子钟R3B
R3B是一款可适应-50℃~+95℃的宽温铷原子钟,小体积、高可靠、高性能,频率稳定度和相噪出色,集成了1PPS驯服和1PPS输出功能,并额外提供1路10MHz方波信号输出和外部10MHz信号校准功能,可用铯钟和氢钟信号当标准对R3A频率进行快速自动校准。它集成了高度智能化的数字控制系统,可满足客户多种定制化需求,并且可完整监测健康状态,具有智能学习功能,让用户使用原子钟更加简单灵活可靠。R3B所有信号集成在1个DSUB9连接器中,更适合在狭小空间安装。R3B也可作为集成标准的10MHz频率比对器使用。
主要指标

R3B.jpg

特征
应用
资源
相关产品
庄闲和游戏
网站地图